chevron_left
Menu
Turck
search
Ładowanie
add_shopping_cart
Strona główna
Produkty
person
Zaloguj się
arrow_back_ios
arrow_forward_ios
Akcesoria
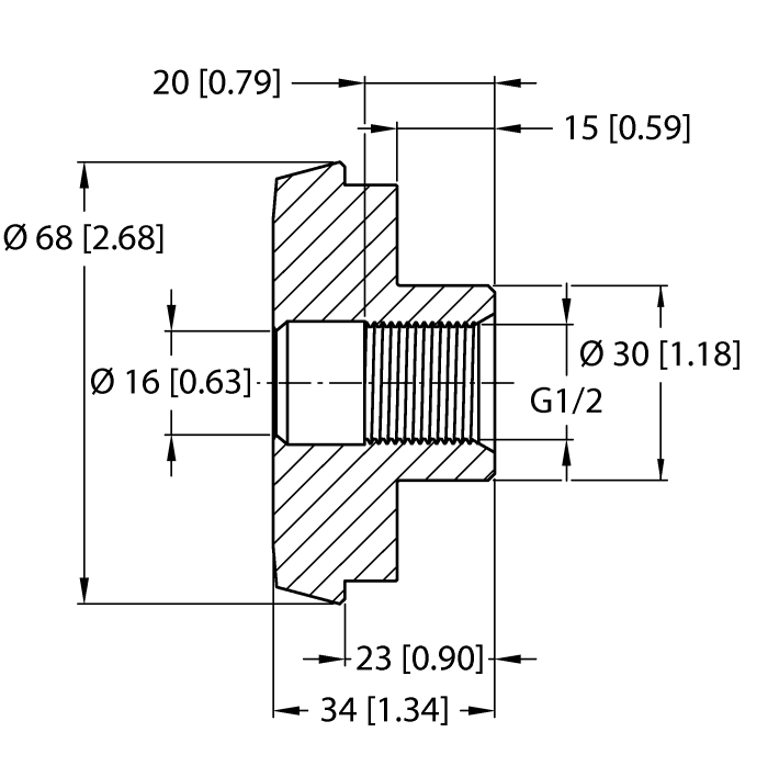
NCLS-DF50
Nr katalogowy 100004435
W magazynie
Cennik
402,97 zł
home
Turck-Shop
Czujniki
Akcesoria
NCLS-DF50
Dane techniczne
Stopień ochrony
IP67
Akcesoria montażowe dla
Czujniki pojemnościowe
Wykonanie
Akcesoria do obudów cylindrycznych gwintowanych
Podłączenie procesowe
Połączenie śrubowe w przewodach mlecznych
Materiał obudowy
Stal nierdzewna
Wykonanie obudowy
1.4404 (AISI 316L)
Temperatura medium min. (°C)
0
Temperatura medium maks. (°C)
140
Measuring principle
Pojemnościowe
Warunki montażowe
Powierzchniowy
Typ akcesoriów
Adapter procesowy
Kluczowe cechy
Typ akcesoriów
Adapter procesowy
Materiał obudowy
Stal nierdzewna
Stopień ochrony
IP67
Pozycja ogółem
402,97 zł
Ilość
−
+
add_shopping_cart
Dodaj do koszyka
Utwórz zapytanie