chevron_left
Menu
Turck
search
Ładowanie
add_shopping_cart
Strona główna
Produkty
person
Zaloguj się
CF-M-6.35-G1/2-A4 | TURCK - Twój Globalny Partner w Automatyce Przemysłowej
Akcesoria
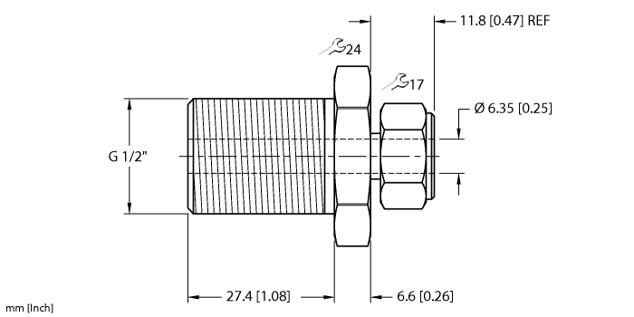
CF-M-6.35-G1/2-A4
Nr katalogowy 100027547
home
Home
Loading...
Dane techniczne
Akcesoria montażowe dla
Czujnik temperatury
Wykonanie
Akcesoria
Podłączenie procesowe
Gwint męski G 1/2″
Sposób detekcji
kontakt z medium
Materiał obudowy
Stal nierdzewna
Wykonanie obudowy
1.4404 (AISI 316L)
Typ akcesoriów
Złączka zaciskowa
Kluczowe cechy
Typ akcesoriów
Złączka zaciskowa
Materiał obudowy
Stal nierdzewna
W magazynie
Cennik
105,46 zł
Pozycja ogółem
105,46 zł
Ilość
−
+
add_shopping_cart
Dodaj do koszyka
home
Turck-Shop
Czujniki
Akcesoria
CF-M-6.35-G1/2-A4
Utwórz zapytanie